Appelez-nous GRATUITEMENT au 1 800 567-5247
La couleur, les dimensions, le format ou le style visibles sur certaines images peuvent différer des spécifications. Veuillez vérifier la description du produit avant de commander.
Carr Lane Manufacturing

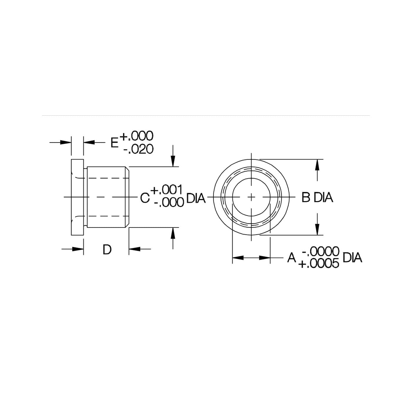
Bague pour goupille de type « bullet-nose », acier 1144, noir, 3/8 po diamètre interne

Code : CL-CLB-3000

Veuillez vous connecter pour voir les prix, la disponibilité des stocks et commander
Description

Douille de précision utilisée avec une cheville à bout arrondi pour aligner deux pièces d’un dispositif de fixation.

Spécifications
Caractéristiques
Documents