Appelez-nous GRATUITEMENT au 1 800 567-5247

La couleur, les dimensions, le format ou le style visibles sur certaines images peuvent différer des spécifications. Veuillez vérifier la description du produit avant de commander.
Spaenaur
Veuillez vous connecter pour voir les prix, la disponibilité des stocks et commander
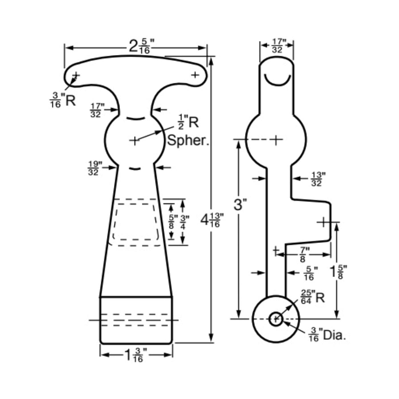
Attache pour capot en acier plaqué zinc et caoutchouc, 4-13/16 in.
Code : SN099451